合眾電氣公司刷鍍錫機的面板布局
電力測試設備的操作面板上一般都有一些操作按鈕,下面合眾電氣公司舉例介紹,刷鍍錫機的面板布局。
面板布局
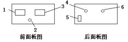
1、電壓表 2、電壓調節旋鈕 3、電流表 4、接線柱正極
5、電源開關 6、接線柱負極
以上是電力測試設備的部分內容介紹,刷鍍錫機的面板布局,如果您需要電力測試設備,請聯系合眾電氣公司網站客服。

1、電壓表 2、電壓調節旋鈕 3、電流表 4、接線柱正極
5、電源開關 6、接線柱負極
以上是電力測試設備的部分內容介紹,刷鍍錫機的面板布局,如果您需要電力測試設備,請聯系合眾電氣公司網站客服。
- 上一篇: 繼電保護測試儀單機操作模塊功能說明
- 下一篇: 合眾電氣公司刷鍍錫機的主要技術參數