微機繼電保護測試儀的同步檢查繼電器校驗
微機繼電保護測試儀找專業做繼保的公司廠家做,合眾電氣是武漢一家有二十年經驗的電力測試設備制造商。下面合眾電氣技術工程師介紹,微機繼電保護測試儀的同步檢查繼電器校驗。
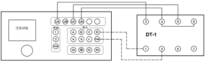
(1)兩線圈極性關系檢查
在微機繼電保護測試儀交流試驗中,設定Ua、Uc輸出額定電壓接入兩線圈,繼電器不動作,但斷開任一線圈繼電器即動作,說明2、6為同極性端子,否則2、4為同極性端子。
(2)動作角度的測量
調節好微機繼電保護測試儀極性端子,設定Ua、Uc為額定電壓,改變兩電壓之間的角度,測出動作值和返回值。
(3)動作、返回電壓的測量
(1)兩線圈極性關系檢查
在微機繼電保護測試儀交流試驗中,設定Ua、Uc輸出額定電壓接入兩線圈,繼電器不動作,但斷開任一線圈繼電器即動作,說明2、6為同極性端子,否則2、4為同極性端子。
(2)動作角度的測量
調節好微機繼電保護測試儀極性端子,設定Ua、Uc為額定電壓,改變兩電壓之間的角度,測出動作值和返回值。
(3)動作、返回電壓的測量
設定一個線圈電壓為零,另一線圈電壓由零逐步增加(可用自動試驗方式)測出動作電壓,再逐步減小電壓,測出返回電壓。交換線圈再做同樣試驗。微機繼電保護測試儀接線如下圖所示:
- 上一篇: 微機繼電保護測試儀的低周繼電器校驗
- 下一篇: 變壓器綜合特性測試臺高壓特性試驗步驟





