微機繼電保護測試儀的重合閘繼電器校驗
微機繼電保護測試儀的重合閘繼電器校驗。
(1)方法一:(適用于PC機軟件操作)
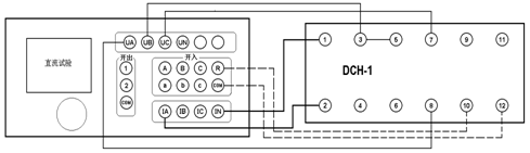
微機繼電保護測試儀在直流試驗中,用手動試驗方式,設置 Ia 為中間繼電器保持電流,Uab為 220V(Ua為+110V,Ub為-110V)作電容充電電壓,Uc為+110V。按下“確認”,“開始”輸出220V 電壓。
等待15-25秒重合閘電容充電充滿、信號燈亮后,將Uc電壓值改為-110V(在輸出狀態中,鼠標點擊Uc數值框,直接輸入-110,按回車鍵),即在第 7 端施加啟動電壓以啟動重合閘,微機繼電保護測試儀重合閘啟動后,等待重合閘時間到,接點動作,即可測出動作時間。
注意:微機繼電保護測試儀若重合閘能充電但不能動作,請檢查保持電流是否有輸出。在充電期間,電流輸出回路是斷開的,所以測試儀的電流輸出開路指示燈亮。當重合閘動作時,測試儀的電流輸出開路指示燈應熄滅。
(1)方法一:(適用于PC機軟件操作)

等待15-25秒重合閘電容充電充滿、信號燈亮后,將Uc電壓值改為-110V(在輸出狀態中,鼠標點擊Uc數值框,直接輸入-110,按回車鍵),即在第 7 端施加啟動電壓以啟動重合閘,微機繼電保護測試儀重合閘啟動后,等待重合閘時間到,接點動作,即可測出動作時間。
注意:微機繼電保護測試儀若重合閘能充電但不能動作,請檢查保持電流是否有輸出。在充電期間,電流輸出回路是斷開的,所以測試儀的電流輸出開路指示燈亮。當重合閘動作時,測試儀的電流輸出開路指示燈應熄滅。
- 上一篇: 微機繼電保護測試儀二次諧波制動特性的測量
- 下一篇: 智能互感器測試儀的CT參數描述